모든 제품
-
윌리엄JINPAT 슬립 링 외관이 좋고, 신중하게 포장하고, 서비스 열정이 있고, 다시 올 필요가 있습니다. -
남자 이름빠른 배송, 좋은 성능과 좋은 품질, 다음 협력을 기대합니다.
담당자 :
John
전화 번호 :
+86 1346 401 9643
듀얼 채널 광학 회전 관 300rpm IP65
무료샘플과 쿠폰을 위해 나와 연락하세요.
왓츠앱:0086 18588475571
위챗: 0086 18588475571
스카이프: sales10@aixton.com
만약 당신이 어떠한 관심도 가지면, 우리가 24 시간 온라인 도움말을 제공합니다.
x제품 상세 정보
| 회로 수 | 2 | 리드 사이즈 | Φ26/Φ38*119 |
|---|---|---|---|
| 파장 범위 | 850-1550 | 삽입 손실 | <4dB |
| 삽입 손실 리플 | <2dB | 수익 손실 | >40 |
| 선택 사항 | 광섬유 전송 유형은 선택 사항이며 전류 및 신호 회로는 선택 사항입니다. | ||
| 강조하다 | 광섬유 슬립 링,광학 로터리 조인트 |
||
제품 설명
LPFO 광학 슬립 링은 광섬유 회전 관절, 광학 회전 커넥터로도 알려져 있습니다. 광학 슬립 링은 광섬유를 매체로 채택합니다.그것은 큰 용량 데이터와 신호를 전송하는 가장 좋은 솔루션을 제공합니다광학 슬립 링은 전통적인 전기 슬립 링과 통합 될 수 있습니다. 하이브리드 슬립 링 모델은 전력, 신호 및 고속 데이터를 전송 할 수 있습니다.
| 사양 | |||
| 섬유 종류 |
SM (9/125um) MM ((50/125um 또는 62.6/125um) |
재킷 종류 | 2.0mm/a더 |
| 채널 번호 | 2 | 커넥터 종류 | FC/SC/ST/LC (PC 또는 APC) |
| 파장 범위 |
SM:1310-1550nm MM:850/1300nm |
예상 수명 주기 | >1억 회전 |
| 삽입 손실 | <4dB | 진동 | MIL-STD-167-1A |
| 삽입 손실 파동 | <2dB | 기계 충격 | MIL-STD-810G |
| 저장 온도 | -55~+85°C | 패키지 스타일 | 양쪽 끝에서 찌꺼기 |
| 수익 손실 | SM:≥40dBMM:≥25dB | IP 등급 | IP65 또는 IP67 |
| 크로스 스톡 | ≥50dB | 최대 광전력 | 23dBm |
| 무게, 약 | 200g ((고리 케이블이 없고연결 포함) | 최대 속도 | 300회속 |
| 작동 온도 |
-20~+65°C (산업용) -45°C+75°C (군용급) |
||
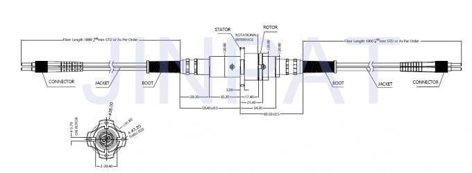
제품 도표

관련 제품
Ratings & Review


전체 등급
Rating Snapshot
The following is the distribution of all ratingsAll Reviews